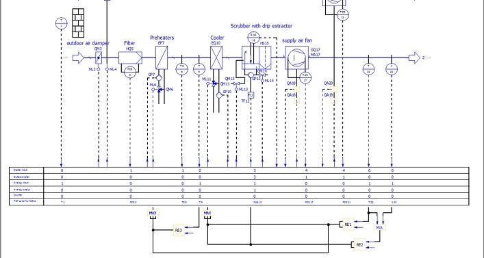
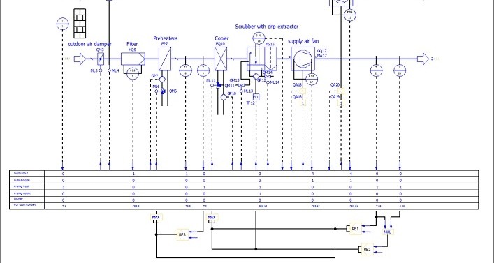
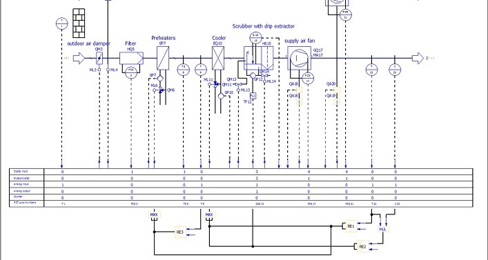
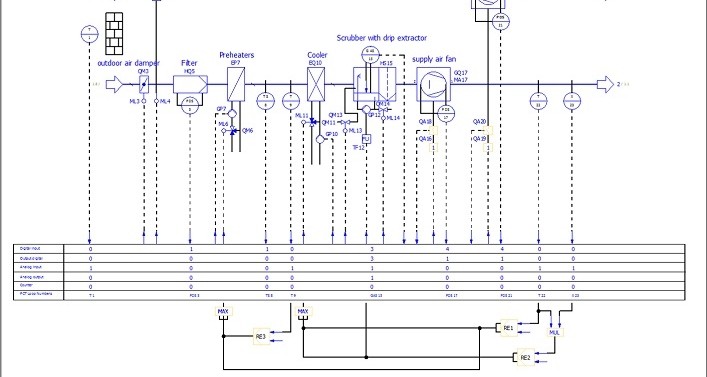
Podstawowe dane dla projektu są jak olej w silniku. Dzięki nim proces przebiega płynniej. Użytkownicy oszczędzają mnóstwo czasu, gdy mogą korzystać z gotowych makr i nie muszą tworzyć ich od podstaw. Począwszy od wersji 2.8, firma EPLAN oferuje zbiorczą kolekcję makr z dziedziny automatyzacji budynków. Te bezpłatne dane zwiększają korzyści dla użytkownika i uzupełniają kompleksowy zbiór danych...
Pozostałe 90% treści dostępne jest tylko dla Prenumeratorów
Co zyskasz, kupując prenumeratę?
- sześć numerów magazynu „Służby Utrzymania Ruchu”,
- dodatkowe artykuły niepublikowane w formie papierowej,
- dostęp do czasopisma w wersji online,
- dostęp do wszystkich archiwalnych wydań magazynu oraz dodatków specjalnych...
- ... i wiele więcej!
