To skojarzenie wartości sygnałów pochodzących z pomiarów z reakcją wirnika na działanie obciążników testowych i geometrią wirnika oraz wyboru miejsc jego podparcia jest określane kalibracją wyważarki.
Poniższy tekst nie jest instrukcją obsługi maszyny w zakresie kalibrowania. Przedstawia mechanizm uzyskiwania wyniku, w postaci niewyważenia, na podstawie jednego lub dwóch sygnałów elektrycznych, powstałych przy różnych warunkach wirowania, podparcia i korekcji niewyważenia na wirniku.
Kalibracje, jako proces, są różnie wykonywane. Sposób postępowania przy kalibrowaniu danej maszyny zależy głównie od sztywności podparcia wirnika.
Poniżej jest omawiana kalibracja wyważarek nadkrytycznych czyli takich, w których wirnik jest posadowiony na podporach o małej sztywności na zginanie.
Kalibracja maszyn podkrytycznych różni się od powyższej. Zostanie przedstawiona w kolejnym opracowaniu.
W maszynach nadkrytycznych, wykazujących małą sztywność podparcia wirnika, kalibracje są częścią procesu wyważania i są wykonywane wielokrotnie. Takie postępowanie jest wymuszone występowaniem sił bezwładności wywołanych ruchem obrotowym, pochodzących od niewyważenia, ale także od drgań o dwóch stopniach swobody całej masy wirnika. Trudność w funkcyjnym uzależnieniu sił bezwładności, pochodzących od drgań całej masy wirnika, od dowolnych miejsc podparcia i różnej geometrii i prędkości obrotowej wirnika powoduje, że podczas kalibracji rozpoznaje się zachowanie maszyny tylko dla danego wirnika i w konkretnych warunkach ruchu i podparcia.
Sposób wykonywania kalibracji wyważarek nadkrytycznych wynika ze sposobu poruszania się wirnika na wyważarce. Oprócz ruchu obrotowego występuje ruch (w przybliżeniu) najczęściej w poziomej płaszczyźnie. Jest on wymuszany niewyważeniem i następuje zgodnie z więzami. Więzami najczęściej są zawiesia o małej sztywności na zginanie w poziomie. Przez to ruch wirnika, oprócz wirowania, zawiera dwie składowe: równoległe przemieszczenie w poziomie i obrót wokół pionowej osi. Każda z tych dodatkowych składowych ruchu ma właściwości drgań, w wyniku czego generuje odpowiednie siły bezwładności. W związku z tym do sił bezwładności, pochodzących od niewyważenia i wywołanych obrotami, dochodzą siły bezwładności generowane w całej objętości wirnika – pochodzące od drgań poprzecznych i obrotowych. Jakakolwiek zmiana, np. miejsca podparcia, zmienia skład tych sił. Także modyfikacja położenia płaszczyzny testowej jest powiązana z ich zmianami. Posadowienie obciążnika korekcyjnego, na etapie korekcji, w płaszczyźnie różnej od testowej da nieprzewidywalny efekt przy redukcji niewyważenia, gdyż wprowadzi nierozpoznaną przez maszynę zmianę w siłach bezwładności. Dlatego przy kalibracji maszyn nadkrytycznych występują ograniczenia. Polegają one na uwzględnieniu:
- ilości masy wirnika i jej rozkładu wzdłuż osi wirowania,
- prędkości obrotowej,
- położenia miejsc podparcia wirnika względem środka masy wirnika,
- wspólnego położenia płaszczyzn korekcyjnych i płaszczyzn testowych.
Wyważarki nadkrytyczne nie są wyposażone systemowo w zbiór stałych współczynników kalibracyjnych. Z racji swojej budowy i zasady działania wymagają skalibrowania każdorazowo wtedy, gdy maszyna jest przygotowywana do wyważenia wirnika, którego rozkład masy lub jej ilość jest różna w porównaniu do poprzednio wyważanego wirnika. Współczynniki kalibracyjne uzyskuje się, wykonując czynności należące np. do metody współczynników. Można je zachować poprzez zapisanie ich w pamięci maszyny.
Schematycznie proces kalibracji można przedstawić następująco:
![]()
Kalibracja wyważarki jest jednocześnie ograniczoną identyfikacją dynamiczną układu: wirnik + jego podparcie. To ograniczenie wynika stąd, że identyfikacja reakcji dynamicznej wirnika, na zewnętrzne obciążenie, dotyczy zależności występujących pomiędzy dwoma punktami leżącymi w płaszczyznach: testowej i pomiarowej. Kolejnym ograniczeniem jest rozpoznanie reakcji maszyny w miejscu i kierunku działania osi głównej czujnika drgań, zamocowanego w podporze.
Taki sposób kalibrowania układu pomiarowego wyważarki jest wykorzystywany także przy wyważaniu wirników w łożyskach własnych przy wykorzystaniu przenośnej aparatury do wyważania polowego[1].
W poniższym tekście rozróżniono kalibrację jedno- i dwupłaszczyznową. Taki podział umożliwia wprowadzenie nowych zagadnień w kolejnych przykładach obliczeniowych. Mechanizm powstawania wyniku w postaci niewyważenia jest przedstawiony za pomocą przykładów obliczeniowych. Przewagą rozwiązania przykładu obliczeniowego, w stosunku do rzeczywistych pomiarów wykonywanych na stanowisku pomiarowym, jest wyeliminowanie błędów pomiarowych.
- Kalibracja wyważarki nadkrytycznej umożliwiająca wyważanie w jednej płaszczyźnie korekcyjnej.
W celu skutecznego wykonania kalibracji układ pomiarowo-obliczeniowy maszyny przygotowuje odpowiednio sygnały.
Maszyna nadkrytyczna poprawnie wskaże niewyważenie w jednej płaszczyźnie korekcyjnej, przy wyważaniu jednopłaszczyznowym, jeżeli:
- z sygnału z jednego czujnika zostaną odseparowane zakłócenia i zostanie wydzielony tzw. sygnał użyteczny mający częstotliwość wynikającą z prędkości obrotowej wyważania, amplitudę wprost proporcjonalną do masy pochodzącej od niewyważenia i fazę, której wartość jest odniesiona do znacznika kąta zerowego, naniesionego na wirnik, i jest powiązana z dynamiczną podziałką kątową, generowaną przez układ pomiarowy wyważarki;
- parametry sygnału użytecznego, mającego kształt sinusoidy, uzyskanego przy obciążeniu wirnika niewyważeniem początkowym zostaną zapamiętane w pamięci maszyny i użyte w obliczeniach wraz z odpowiednio dopracowanym sygnałem o przebiegu cosinusoidalnym;
- parametry sygnału użytecznego, uzyskanego przy obciążeniu wirnika niewyważeniem początkowym i testowym, w postaci obciążnika testowego zamocowanego w płaszczyźnie testowej (która jest także płaszczyzną korekcyjną), zostaną zapamiętane w pamięci maszyny i użyte w obliczeniach;
- zapamiętane wartości, odniesione do masy obciążnika testującego, są wykorzystane do obliczenia odpowiedniego współczynnika kalibracyjnego;
- współczynnik kalibracyjny jest następnie użyty do obliczeń masy i kąta posadowienia obciążnika wyważającego, gdzie w trakcie obliczeń przyjmuje się dwa założenia, które potwierdzają, że: obciążnik wyważający wygeneruje sygnał przeciwny do początkowego i jest zachowana liniowość reakcji na wymuszenie, czyli prosta proporcjonalność amplitudy sygnału do wartości niewyważenia.
Powyższe czynności są wykonywane w celu wyznaczenia jednego współczynnika kalibracyjnego. Jest on nazywany współczynnikiem proporcjonalności albo podatności dynamicznej w miejscu i kierunku działania czujnika. Opisuje reakcję wirnika w płaszczyźnie pomiarowej na testowe obciążenie zewnętrzne, w trakcie obrotów o zadanych parametrach.
Obciążenie testowe oddziałuje na wirnik w płaszczyźnie testowej. Płaszczyzny: pomiarowa i testowa, mogą być względem siebie dowolnie przesunięte, wzdłuż długości wirnika.
W etapie obliczeniowym współczynnik kalibracyjny jest wyznaczany z użyciem sygnałów pochodzących z obu etapów, co oznacza, że przy jego obliczeniach uwzględniana jest zmiana wskazań sygnału w płaszczyźnie pomiarowej, w wyniku działania obciążenia testowego posadowionego w płaszczyźnie korekcji. W obliczeniach zmiana wskazań jest odnoszona do masy obciążnika testowego.
Kolejne obliczenia dotyczą masy i kąta posadowienia obciążnika korekcyjnego. Są wykonywane z zastosowaniem danych pomiarowych z zerowego etapu i wyliczonego współczynnika kalibracyjnego. Współczynnik kalibracyjny ma najczęściej postać liczby zespolonej, która umożliwia uwzględnienie zmian amplitudy, jak i kąta fazowego sygnału. Taka forma przedstawienia jest odpowiednia do zapisu mierzonych sygnałów, które mają amplitudę i kąt fazowy. Sumowanie się oddziaływania początkowego niewyważenia i niewyważenia spowodowanego posadowieniem obciążnika testowego, w obecności tłumienia w podparciu wirnika, oraz składanie się ruchów pochodzących z kilku stopni swobody powoduje, że sygnał, przy zmianie obciążenia zewnętrznego, zmienia nie tylko amplitudę, ale także kąt fazowy, względem podziałki kątowej związanej z wirnikiem.
Obciążnik wyważający można posadowić tylko w płaszczyźnie, w której wcześniej był zamocowany obciążnik testowy. Dodatkowo, obliczone parametry obciążnika korekcyjnego odpowiadają parametrom obciążnika wyważającego wyłącznie wtedy, gdy nie tylko miejsce pomiaru, wzdłuż długości wirnika, jest stałe, ale także, kiedy kierunek działania czujnika jest stały w obu etapach. Ograniczoność identyfikacji do miejsca i kierunku uniemożliwia wykonanie analitycznego przeliczenia do innego punktu na wirniku. Nie jest to możliwe ze względu na nieznany udział: w sygnale z czujnika, składowej pochodzącej od sił bezwładności generowanych w całej objętości wirnika i pochodzących od ruchu w kierunku prostopadłym do osi obrotów i obrotowego wokół pionowej osi.
Proces kalibracji jednopłaszczyznowej i jej wykorzystanie do wyważania wirników można zobrazować poniższymi przykładami obliczeniowymi.
W pierwszym przykładzie jest przedstawiony model wirującej, niewyważonej tarczy posadowionej na podatnej konstrukcji. Jest to model dynamiczny. Jego ruch można opisać za pomocą równania drgań wymuszonych bezwładnościowo i tłumionych. Tłumienie, występujące w podparciu tarczy, nie zmienia jakościowo sposobu postępowania przy kalibracji. Zwiększa ilość obliczeń, wprowadzając kąt przesunięcia fazowego pomiędzy siłami bezwładności, które są wymuszeniem, i ruchem poprzecznym wirnika. W wyniku występowania tłumienia tarcza ustawia się pod określonym kątem, w stosunku do wymuszenia, w zależności od wartości siły pochodzącej od tłumienia. Dla obserwatora z zewnątrz siły bezwładności wyprzedzają ruch podczas obrotów. Gdyby miejsce występowania niewyważenia było oznaczone kolorowym punktem, to zewnętrzny obserwator zobaczyłby w pierwszej kolejności kolorowy punkt, a po określonej części obrotu wirnika ugięcie zawiesi osiągnęłoby maksymalną wartość. Ta wartość jest dodatnia poniżej i ujemna powyżej rezonansu. Ujemna wartość oznacza, że zwrot ugięcia zawiesi jest przeciwny do zwrotu składowych sił bezwładności na możliwy kierunek ugięcia zawiesi. Np. przy założeniu zerowej wartości współczynnika tłumienia to przesunięcie kątowe wynosi , gdy występuje tylko ruch liniowy. Maksimum ugięcia zawiesi następuje w chwili, gdy wektor siły bezwładności jest zgodny z możliwym kierunkiem ugięcia zawiesi.
W pokazanym przykładzie więzy umożliwiają ruch tarczy w poziomie.
Przykład nr 1 kalibracji jednopłaszczyznowej i jej wykorzystania do wyważenia wirnika typu „tarcza”.
Należy wyznaczyć masę i płożenie kątowe obciążnika wyważającego tarczę. Oś tarczy jest połączona z ostoją poprzez konstrukcję o sztywności opisanej współczynnikiem i tłumieniu o współczynniku . Tarcza ma masę , średnicę i obraca się z prędkością . Przygotowano obciążnik testowy o masie .
Uwagi wstępne:
Tarczę oczujnikowano tak, że czujnik ruchu liniowego mierzy sygnał w kierunku poziomym (w kierunku osi ). System obliczeniowy wyważarki pobiera wartości maksymalne w każdym okresie ruchu. Chwila pobierania tych sygnałów nie jest powiązana z działaniem czujnika obrotów i miejscem naklejenia folii na wirnik. Są realizowane z wykorzystaniem układu elektronicznego zawierającego komparator. Działanie komparatora wyznacza momenty, kolejno w każdym obrocie, w których jest wysyłany sygnał do pobrania wartości kąta fazowego – pojawiającego się w płaszczyźnie pomiarowej . Podziałka kątowa jest związana z wirnikiem. Momentem pobrania sygnału jest jego przejście, np. przez zero z wartości ujemnej do dodatniej w ruchu nawrotnym wirnika (a nie obrotowym). Chwila pobrania wartości kąta fazowego może następować zgodnie z innym kryterium, bez wpływu na ostateczny wynik. Z powyższego wynika, że w każdym etapie kąt fazowy jest mierzony przy takim samym położeniu liniowym wirnika, ale przy innym położeniu kątowym. Inne położenie kątowe wynika z różnego obciążenia kątowego wirnika w każdym z etapów.
Pomiary częstości kołowej wirnika następują zawsze w określonej chwili i przy każdym jego obrocie, gdyż zależą od miejsca naklejenia folii odblaskowej na wirniku. Folia odblaskowa jest przyklejona do powierzchni tarczy w dowolnym miejscu i na dowolnym kącie fazowym. Czujnik laserowy obrotu wysyła i odbiera odbite sygnały świetlne jeden raz na obrót i wykorzystuje je do nadążnego wyznaczania czasu jednego obrotu i budowy dynamicznej podziałki kątowej związanej z wirnikiem, przy współpracy z przetwornikiem obrotowo- impulsowym. Wynik wyważania nie zależy od kąta zamocowania folii.
Czujnik pomiaru fazy jest umieszczony w płaszczyźnie pomiarowej oznaczonej .
Dane:
![]()
Kalibracja dzieli się na etapy:
- pomiarowy zerowy,
- pomiarowy pierwszy,
- obliczeniowy,
- korekcji
Etapy pomiarowe kończą się pozyskaniem danych z pomiarów, odpowiednio: i .
W etapie obliczeniowym kolejno są wyznaczane: współczynnik kalibracyjny, zwany także współczynnikiem proporcjonalności następnie masa i kąt fazowy obciążnika wyważającego oraz
W etapie korekcji obciążnik korekcyjny jest mocowany na wirniku w położeniu kątowym .
Uwagi wstępne:
- W celu przeanalizowania procesu kalibracji i jego wykorzystania do wyważenia tarczy przyjęto fizyczny model niewyważonej tarczy. Model zastępuje fizyczne stanowisko pomiarowe w postaci wyważarki lub maszyny wirnikowej wyważanej z użyciem przenośnej aparatury do wyważania w łożyskach własnych. Przez to dane pomiarowe i pochodzą z obliczeń i wyeliminowane są błędy pomiarowe.
- Ruch przyjętego modelu, który stanowi drgania wymuszone bezwładnościowo, jest opisany związkiem (1):
![]()
![]()
- Wirująca tarcza, zamocowana do podatnej podpory i mająca możliwość poruszania się ruchem liniowym, jest układem dynamicznym, w którym płaszczyzny pomiarowe i korekcji zawsze przecinają oś obrotów w jednym punkcie. Ich położenie jest jednoznacznie wyznaczone. W związku z tym nie występuje problem ograniczenia miejsc ewentualnej zmiany położenia tych płaszczyzn wzdłuż osi wirowania. Poniżej zostanie pokazane, że w ugięciu są zawarte oba wymuszenia od sił bezwładności pochodzących od: nadmiarowej masy tworzącej niewyważenie i całej masy wirnika M.
W każdej chwili, także w położeniu pokazanym na rys. 1, siły czynne i bierne na wirniku są w równowadze. Dlatego jest prawdziwe równanie:
![]()
- Dla ułatwienia śledzenia procesu kalibracji, obliczenia będą wykonywane kolejno, bez skrótów z wykorzystaniem liczb zespolonych.
0. Etap zerowy.
![]()
Rys. 1. Położenie kątowe tarczy w chwili pomiaru wartości kąta fazowego w zerowym etapie.
![]()
- Etap pierwszy.
![]()
![]()
Rys. 2. Położenie kątowe tarczy w chwili pobrania wartości kąta fazowego w pierwszym etapie.
![]()
![]()
![]()
![]()
Rys. 3. Obciążenia tarczy po etapie korekcji.
Wynik jest poprawny i korekcja będzie skuteczna.
Współczynnik może być zapamiętany w maszynie. Będzie przydatny dla wyważenia wirników o zbliżonej masie i jej rozkładzie wzdłuż osi wirowania.
W drugim przykładzie będzie wykorzystany statyczny model sztywnego wirnika podpartego w łożyskach A i B obciążonego siłą, która oddziałuje na wirnik ze stałą amplitudą. Siła pochodzi od niewyważenia. Przyjęcie statycznego modelu układu dynamicznego jest poprawne. Wyważarki „widzą” wirnik w trakcie wirowania jako nieporuszający się względem podpór. Wynika to ze sposobu pobierania danych z pomiarów[3].
Uproszczenie występujące w przykładzie 2, w stosunku do dowolnego stanowiska pomiarowego, polega głównie na przyjęciu nierzeczywistego współczynnika wzmocnienia sygnału. Dodatkowe składowe sił, pochodzące od sił bezwładności generowanych w całej objętości wirnika, działają według tych samych zasad co siła pochodząca od niewyważenia – pod warunkiem przyjęcia płaszczyzn: testowej i korekcyjnej w tym samym miejscu, wzdłuż długości wirnika. To powoduje, że wzmocnienia, wynikające z dynamicznego zachowania się wirnika, są takie same w tej płaszczyźnie, w każdym etapie kalibracji i wyważania. Dlatego w procedurze wyznaczania masy obciążników wyważających, wykorzystującej metodę współczynników, są eliminowane.
Na poparcie tezy o eliminacji zachowania się dynamicznego, w trakcie obliczeń masy korygującej, można prześledzić wyznaczenie masy obciążnika wyważającego wirującej tarczy z użyciem metody współczynników.
Równanie ugięcia podparcia tarczy w zerowym etapie wyważania ma postać:
![]()
![]()
W równaniu dynamicznym ruchu obrotowego występują analogiczne zależności.
Drugim warunkiem zachowania poprawności modelu statycznego jest przyjęcie równych podatności w obu etapach. Pomiar w etapie zerowym i pierwszym są ze sobą powiązane właściwościami dynamicznymi układu: „wirnik + podparcie”. Jeżeli jest założona wartość wskazań maszyny w etapie zerowym, to wskazanie w etapie pierwszym musi uwzględnić działanie współczynnika proporcjonalności o tej samej wartości. Pomiar jest, bowiem, wykonywany w tym samym miejscu i kierunku. Te właściwości zależą od miejsca i kierunku pomiarów.
W przykładzie, na osadzie łożyska B , jest zamocowany czujnik, np. siły CzS . Nadajnik i jednocześnie odbiornik promienia laserowego to CzL.
Układ będzie poprawnie skalibrowany, czyli przygotowany do wyważenia danego wirnika, gdy:
- nadajnik będzie wysyłał sygnały, do modułu pomiarowo-obliczeniowego wyważarki jeden raz na obrót, w celu wyznaczenia okresu obrotów i jednocześnie drgań poprzecznych wirnika oraz zbudowania dynamicznej podziałki kątowej związanej z wirnikiem;
- kąty fazowe położeń wirnika, względem ostoi, w poszczególnych etapach kalibracji będą mierzone z użyciem komparatora, np. poprzez wyznaczenie chwili pobrania wartości kąta wtedy, gdy przemieszczenie liniowe wybranego czujnika osiągnie wartość zero, przechodząc np. z wartości ujemnych do dodatnich;
- amplituda drgań poprzecznych będzie mierzona w oddzielnej procedurze.
Przykład nr 2 kalibracji jednopłaszczyznowej i jej wykorzystania do wyważenia wirnika typu „wałek”.
Sztywny wirnik o długości i średnicy wiruje z prędkością obrotową . Jest obciążony nieznanym niewyważeniem. Do identyfikacji należy zastosować obciążnik testowy o masie
Zadaniem wyważającego jest zminimalizowanie drgań w łożysku . Korekcję rozkładu masy można wykonać w odległości długości wirnika, mierząc od lewego łożyska. Dla uproszczenia możemy przyjąć, że wszystkie siły występują w jednej płaszczyźnie.
Uwagi wstępne:
- Przed kalibracją obsługa wyważarki nie zna wartości początkowego niewyważenia. Niemniej maszyna reaguje na jego istnienie i w jej wskazaniach znajduje się oddziaływanie nieznanego niewyważenia na podpory. To oddziaływanie może być mniejsze niż oddziaływanie sił bezwładności pochodzących od całej masy wirnika (patrz przykład nr 1). Ważne jest, aby oba udziały były względem siebie w stałej proporcji w obu etapach kalibracji. Tak jest, gdy płaszczyzny testowa i korekcyjna pokrywają się. W tym przykładzie założono wartość niewyważenia i miejsce jego występowania po to, aby uwzględnić oddziaływanie niewyważenia w równaniach statyki. Składowe niewyważenia, zawarte w równaniach, odpowiadają wskazaniom maszyny w praktyce.
- Zagadnienie jest przedstawione na płaszczyźnie, czyli dla kąta fazowego o dwóch wartościach: i . To uproszczenie nie zmienia ani nie ogranicza sposobu przedstawienia procesu kalibracji. Uproszczenie jest wynikiem przyjęcia założenia, że występuje brak tłumienia i wszystkie składniki niewyważenia działają w jednej płaszczyźnie.
- W warunkach rzeczywistych pomiarów: kąt fazowy, czyli kątowe położenie sił bezwładności, pochodzącej od niewyważenia i obciążnika testowego, są zwykle różne, pomimo że ich położenia pozostają stałe względem wirnika. Suma geometryczna obu sił działa więc pod innym kątem, mierzonym względem podziałki związanej z wirnikiem, niż każda z nich oddzielnie. W związku z tym wirnik ustawia się kątowo, w stosunku do czujników, inaczej niż w zerowym etapie. Dlatego komparator daje sygnały do pomiarów przy różnych położeniach kątowych wirnika względem ostoi, w kolejnych etapach kalibracji.
- Niewyważenie w trakcie obrotów wywoła siłę bezwładności
. Siła, w zależności od położenia wzdłuż długości wirnika, obciąży punkty podparcia wirnika zgodnie z warunkami statyki. Czujnik siły zmierzy jej wartość, a moduł pomiarowo- obliczeniowy wykorzysta te dane do obliczeń masy obciążnika wyważającego. - W przykładzie zamiast sił bezwładności B , dla uproszczenia obliczeń, będą wyznaczane warunki równowagi statycznej dowolnej wielkości, np. poszczególnych mas . Jest to możliwe, gdyż w całym procesie kalibracji i wyważania pozyskane dane pomiarowe mają wartości względne, w odniesieniu do przyczyn ich występowania. Nie ma znaczenia dla wyniku, czy są wykorzystywane: siły, prędkości, przyspieszenia lub działki wskazu wektorowego na wyważarce, jak również masy lub wartości bezwymiarowe. Te wielkości są powiązane ze sobą stałymi współczynnikami, które są eliminowane w procesie wyważania. Dlatego w danych przyjęto jako wartość bezwymiarową.
- Wirnik ma wymiar długości i przez to jego wyważanie jest zagadnieniem dwuwymiarowym. Jednopłaszczyznowo nie można go całościowo wyważyć. Można wyeliminować siłę w oczujnikowanej podporze, ryzykując częściowym zwiększeniem siły w przeciwległej podporze. Zarówno na wyważarce, jak i podczas wyważania w łożyskach własnych, gdzie podparcie wirnika wykonuje ruch o kilku stopniach swobody, wyważanie jednopłaszczyznowe „przesuwa” środek drgań wirnika lub maszyny wirnikowej na oś działania wybranego czujnika drgań.
Składową statyczną niewyważenia można w całości wyeliminować jednym obciążnikiem korekcyjnym tylko wtedy, gdy płaszczyzna korekcji znajduje się w miejscu jej występowania, wzdłuż długości wirnika. Jeżeli płaszczyzna korekcji i niewyważenie się mijają, to obciążnik korekcyjny spowoduje tylko częściowe zmniejszenie składowej statycznej i zwiększenie składowej momentowej, jeżeli kierunek momentu początkowego i dodanego są zgodne. Składowej momentowej za pomocą jednego obciążnika korekcyjnego także nie można wyeliminować. Jeżeli wirnik jest obciążony tylko taką składową, to można w całości wyeliminować siłę w oczujnikowanej stronie wirnika. Konsekwencją tego może być wzrost siły w przeciwległej podporze wirnika. Niezależnie od powyższych ograniczeń – w praktyce jest stosowane wyważanie jednopłaszczyznowe naprzemiennie, na obu końcach wirnika, przy jedoczesnym unieruchamianiu przeciwległej, nieoczujnikowanej podpory. Taki proces wyważania jest zbieżny.
Do wykonania zadania należy zminimalizować siły w podparciu . Dlatego w tym miejscu musi być posadowiony czujnik. Zgodnie z tym, co napisano powyżej, jeden czujnik nie wystarczy do zebrania pełnego zestawu danych z pomiarów i całkowitego wyważenia wirnika dwuwymiarowego. Można tylko wyeliminować wpływ niewyważenia w miejscu pomiaru. Wyważający nie może zatem określić skutków wyważania na przeciwległym łożysku .
Dane:
![]()
Rys. 4. Położenie kątowe wirnika w chwili pomiaru wartości kąta fazowego w zerowym etapie.
0. Etap zerowy.
Realizacja etapu polega na pobraniu i zapamiętaniu w pamięci maszyny sygnału z czujnika posadowionego na podporze , gdzie: pierwsza litera dolnego indeksu oznacza miejsce podparcia wirnika, a druga numer etapu.
![]()
Rys. 5. Schematyczne przedstawienie obciążenia wirnika w zerowym etapie kalibracji.
Czujnik umieszczony w podporze wyważarki rejestruje składową siły bezwładności od niewyważenia, która działa w kierunku osi . W związku z założonym brakiem tłumienia w podparciu wirnika ugięcie i siła mają taki sam kąt fazowy.
Realizacja etapu zerowego polega na pomierzeniu i zapamiętaniu początkowych wartości i kąta działania obciążenia podpory . W rzeczywistych warunkach pomiarowych byłyby to wartości uzyskane po posadowieniu wirnika na wyważarce.
W przykładzie wartość i kąt otrzymujemy z warunku statycznej równowagi w łożysku :
![]()
![]()
W równaniu (5) nie występują siły bezwładności pochodzące od całej masy wirnika, gdyż na podstawie równania (4) ich wpływ zostanie wyeliminowany na etapie obliczeń. Stanie się tak, gdyż z założenia płaszczyzny: testowa i korekcyjna się pokrywają.
- Etap pierwszy.
Realizacja etapu polega na posadowieniu obciążnika testowego w płaszczyźnie testowej i pobraniu oraz zapamiętaniu sygnału z czujnika . W etapie obciążnik testowy jest mocowany w odległości długości wirnika od lewego łożyska.
![]()
Rys. 6. Schematyczne przedstawienie obciążenia wirnika w pierwszym etapie kalibracji
![]()
Podsumowanie:
![]()
![]()
Rys. 7. Schematyczne przedstawienie obciążenia wirnika po etapie korekcji.
![]()
- Kalibracja wyważarki nadkrytycznej umożliwiająca wyważanie jednocześnie w dwóch płaszczyznach korekcyjnych.
Ten sposób kalibrowania umożliwia redukcję jednocześnie obu składowych niewyważenia: statycznej i dynamicznej.
Maszyna nadkrytyczna poprawnie wskaże niewyważenie, w dwóch płaszczyznach korekcyjnych, jeżeli kalibracja jest wykonana z użyciem obciążnika testowego, mocowanego kolejno w dwóch płaszczyznach testowych. Są one jednocześnie płaszczyznami korekcyjnymi. Obliczenie współczynników kalibracyjnych jest możliwe, gdy w obliczeniach są dane określające masy i położenia kątowe każdego kolejno mocowanego obciążnika testowego.
Maszyna nadkrytyczna poprawnie wskaże niewyważenie, przy wyważaniu dwupłaszczyznowym, jeżeli:
- z sygnałów z dwóch czujników zostaną odseparowane zakłócenia i wydzielone tzw. sygnały użyteczne mające częstotliwość wynikającą z prędkości obrotowej wyważania, amplitudy wprost proporcjonalne do mas pochodzących od niewyważenia i kąta fazowego, na którym są posadowione, których wartości są odniesione do dynamicznej podziałki kątowej związanej z wirnikiem, w tym także generowanej przez układ pomiarowy wyważarki;
- parametry sygnałów użytecznych, mających kształt sinusoidy, uzyskanych przy obciążeniu wirnika niewyważeniem początkowym zostaną zapamiętane w pamięci maszyny i użyte w obliczeniach wraz z odpowiednio dopracowanymi sygnałami o przebiegu cosinusoidalnym;
- parametry sygnałów użytecznych, uzyskanych przy obciążeniu wirnika niewyważeniem początkowym i testowym, w postaci obciążnika testowego zamocowanego kolejno w obu płaszczyznach testowych (które są także płaszczyznami korekcyjnymi), zostaną zapamiętane w pamięci maszyny i użyte w obliczeniach;
- zapamiętane wartości, odniesione do mas obciążników testujących (w każdej płaszczyźnie może być użyty obciążnik o innej masie) są wykorzystane do obliczenia odpowiednich współczynników kalibracyjnych;
- współczynniki kalibracyjne są następnie zastosowane do obliczeń mas i kątów posadowienia dwóch obciążników wyważających, gdzie w trakcie obliczeń przyjmuje się trzy założenia stwierdzające, że: obciążniki wyważające wygenerują sygnały przeciwne do początkowych, w każdym z sygnałów znajdują się składowe pochodzące od oddziaływania każdego z obciążników wyważających i zachodzi liniowość reakcji na wymuszenie, czyli prosta proporcjonalność amplitud sygnałów do wartości niewyważenia.
Powyższe czynności są wykonywane w celu wyznaczenia czterech współczynników kalibracyjnych. Opisują reakcję wirnika w płaszczyźnie pomiarowej i w kierunku działania czujnika: na testowe obciążenie zewnętrzne w trakcie obrotów.
Występują dwa rodzaje współczynników:
- podatności mierzonej w punktach i kierunku pomiarów – zwane równoindeksowymi ;
- przenoszenia oddziaływania z płaszczyzn testowych do przeciwległych płaszczyzn pomiarowych – zwane różnoindeksowymi
.
Współczynniki kalibracyjne mają postać liczb zespolonych, które występując w działaniach algebraicznych, umożliwiają zmiany amplitud i kątów fazowych sygnałów wynikowych.
Dwa z nich, nazywane równoindeksowymi, można porównać do współczynnika proporcjonalności, wyznaczanego przy wyważaniu jednopłaszczyznowym. Nazywane są także współczynnikami podatności dynamicznej w miejscu i kierunku działania czujnika.
Opisują bezpośrednie oddziaływanie zewnętrznego wymuszenia, działającego w najbliższej okolicy pierwszej płaszczyzny pomiarowej, powodującego zmianę wskazań mierzonego parametru w tej płaszczyźnie.
Kolejne dwa współczynniki, nazywane różnoindeksowymi, określają sposób przenoszenia oddziaływania obciążenia zewnętrznego z punktu zadziałania obciążeniem testowym do innego punktu, leżącego po przeciwnej stronie wirnika, w którym wykonywany jest pomiar.
Poprzez taki dobór współczynników, w każdej z płaszczyzn pomiarowych, następuje sumowanie reakcji wirnika na oddziaływania bezpośrednie i pośrednie.
Kalibracja składa się z następujących etapów:
- pomiarowy, zwany zerowym etapem, w którym jest mierzony sygnał przedstawiający wybrany parametr ruchu lub siły, co do amplitudy i kąta fazowego, w dwóch płaszczyznach pomiarowych, gdy wirnik jest obciążony początkowym niewyważeniem;
- pomiarowy, zwany pierwszym etapem, w którym jest mierzony sygnał przedstawiający wybrany parametr ruchu lub siły, co do amplitudy i kąta fazowego, w dwóch płaszczyznach pomiarowych, gdy wirnik jest obciążony początkowym niewyważeniem oraz niewyważeniem pochodzącym od obciążnika testowego o dowolnie dobranej masie i zamocowanego w pierwszej płaszczyźnie korekcyjnej na dowolnie wybranym kącie;
- pomiarowy, zwany drugim etapem, w którym jest mierzony sygnał przedstawiający wybrany parametr ruchu lub siły, co do amplitudy i kąta fazowego, w dwóch płaszczyznach pomiarowych, gdy wirnik jest obciążony początkowym niewyważeniem oraz niewyważeniem pochodzącym od obciążnika testowego o dowolnej masie i zamocowanego w drugiej płaszczyźnie korekcyjnej na dowolnie wybranym kącie (po demontażu obciążnika z pierwszej płaszczyzny);
- obliczeniowy, w którym są wyznaczane współczynniki kalibracyjne i masy wraz z położeniami kątowymi dwóch obciążników korekcyjnych;
- korekcyjny, w którym są mocowane oba obciążniki wyważające;
- sprawdzania skuteczności wyważania, w którym następują pomiary jak w etapie zerowym.
Kalibracja obejmuje następujące wyżej wymienione etapy tego procesu: od a) do d).
Po wykonaniu tych czynności obliczone współczynniki kalibracyjne poprawnie określą wartości i położenia kątowe obciążników kalibracyjnych posadowionych w dwóch punktach, wzdłuż długości wirnika, w których poprzednio były mocowane obciążniki testowe/kalibracyjne. Poszukanie ich wartości dla posadowienia w innych punktach, poprzez przeliczanie zgodnie z regułami kinetostatyki, nie da poprawnej odpowiedzi. Jest tak dlatego, że cała masa wirnika bierze udział w drganiach poprzecznych o dwóch stopniach swobody, które są wykonywane przez wirnik, niezależnie od obrotów. Każda składowa ruchu poprzecznego generuje „swoje” siły bezwładności. Przedstawiona identyfikacja nie umożliwia przyporządkowania odpowiedniej części tych sił do właściwej składowej ruchu. Powyższa identyfikacja jest więc częściowa. Pokazuje tylko reakcję, w postaci zmiany ruchu, w określonych dwóch punktach, jako reakcję na zadziałanie zewnętrznego obciążenia w dwóch innych, znanych punktach wirnika.
Zachowując uproszczenia i założenia, jak w przykładzie pierwszym, w przykładzie trzecim zostanie pokazany sposób kalibracji z wykorzystaniem równań statyki.
Przed kalibracją obsługa wyważarki nie zna wartości początkowego niewyważenia. Niemniej maszyna reaguje na jego istnienie i wskazuje poprawnie oddziaływanie nieznanego niewyważenia na podpory. W tym przykładzie także założono wartość początkowego niewyważenia i miejsce jego występowania po to, aby uwzględnić oddziaływanie niewyważenia w równaniach statyki. Składowe niewyważenia zawarte w równaniach odpowiadają składowym sygnału zawartych, w praktyce, we wskazaniach maszyny.
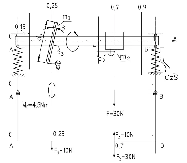
Przykład nr 3 kalibracji dwupłaszczyznowej w układzie płaskim i jej wykorzystania do wyważenia wirnika.
![]()
![]()
Rys. 8. Schemat wirnika obciążonego niewyważeniem siłowym i momentowym oraz schemat obciążeń siłami bezwładności.
Wirnik jest obciążony niewyważeniem mającym składową statyczną, wywołaną działaniem zabieraka, i momentową, wywołaną działaniem krzywo zamocowanej tarczy. Wektor momentu sił bezwładności jest prostopadły do płaszczyzny, w której działają wszystkie występujące siły: bezwładności i reakcji w podparciu.
Wartość momentu można wyznaczyć na dwa sposoby:
a) korzystając z równania Eulera, wykonując uprzednio wstępne obliczenia:
![]()
b) lub korzystając z równania równowagi sił bezwładności występujących na obu połówkach tarczy[4]:
![]()
Wartość siły bezwładności pochodzącej od mimośrodu środka masy zabieraka wynosi:
![]()
Niewyważenie w postaci składowych: momentowej i siłowej, jest korzystnie przedstawić w postaci dwóch mas posadowionych na wirniku w dwóch miejscach, oddalonych od siebie wzdłuż długości wirnika. Jeżeli przyjmiemy, że siły tworzące moment będą przyłożone w odległościach: 0,25 L i 0,7 L długości wirnika, mierząc od lewej podpory, to poniższe równanie wyznaczy ich wartość:
![]()
Rozkład tych sił jest pokazany na rys. 8.
Korzystając z zasady działania wyważarek, zagadnienie można przedstawić w postaci belki obciążonej siłami, gdyż:
- pomiar jest wykonywany jeden raz na obrót zawsze w tym samym kątowym położeniu wirnika, w danym etapie;
- niewyważenie przyjmuje stałą pozycję, w odniesieniu do wirnika zarówno kątową jak i położenia wzdłuż jego wirnika;
- płaszczyzny testowe są jednocześnie płaszczyznami korekcyjnymi.
![]()
0. Zerowy etap kalibracji.
![]()
Rys. 9. Schemat obciążenia siłami bezwładności pochodzącymi od początkowego niewyważenia.
![]()
- Pierwszy etap kalibracji.
![]()
Rys. 10. Schemat obciążenia siłami bezwładności pochodzącymi od początkowego niewyważenia i obciążnika testowego posadowionego w lewej płaszczyźnie testowej.
W pierwszym etapie wirnik jest obciążony początkowym niewyważeniem i obciążnikiem testowym posadowionym w lewej płaszczyźnie testowej. Obciążenie punktów podparcia wynika ze statycznych warunków równowagi.
![]()
![]()
- Drugi etap kalibracji.
![]()
Rys. 11. Schemat obciążenia siłami bezwładności pochodzącymi od początkowego niewyważenia i obciążnika testowego posadowionego w prawej płaszczyźnie testowej.
W drugim etapie wirnik jest obciążony początkowym niewyważeniem i obciążnikiem testowym posadowionym w prawej płaszczyźnie testowej. Obciążenie punktów podparcia wynika ze statycznych warunków równowagi.
![]()
- Etap obliczeń[5].
![]()
Ujemne wartości mas obciążników korekcyjnych wskazują na ich przeciwny kierunek, w odniesieniu do kierunków działania obciążników testowych.
Przydatność uprzednio wyznaczonych współczynników kalibracyjnych do wyważenia identycznego wirnika w serii przejawia się w tym, że można z nich wyznaczyć masy wyważające tylko na podstawie zerowych pomiarów kolejno wyważanego wirnika.
- Etap korekcji.
![]()
Rys. 12. Schemat obciążenia siłami bezwładności pochodzącymi od początkowego niewyważenia i obciążników wyważających.
- Etap sprawdzenia.
![]()
Z równań (8) i (9) wynika, że wyważanie wykonane z wykorzystaniem kalibracji jest skuteczne. Masy obciążników wyważających, obliczonych z użyciem współczynników kalibracyjnych , , , , spowodowały wyeliminowanie oddziaływania siłowego na podpory.
[1] Producentem aparatury służącej do wyważania wirników w łożyskach własnych jest Przedsiębiorstwo CIMAT Sp. z o.o. w Bydgoszczy.
[2] M. Malec, Wyważanie dynamiczne wirników, Wydawnictwo MM Publikacje, Bydgoszcz 2022, Dystrybutor: www.fachowa.pl.
[3] M. Malec, Wyważanie dynamiczne wirników, Wydawnictwo MM Publikacje, Bydgoszcz 2022, Dystrybutor: www.fachowa.pl.
[4] M. Malec, Wyważanie dynamiczne wirników, Wydawnictwo MM Publikacje, Bydgoszcz 2022, Dystrybutor: www.fachowa.pl.
[5] M. Malec, Wyważanie dynamiczne wirników, Wydawnictwo MM Publikacje, Bydgoszcz 2022, Dystrybutor: www.fachowa.pl.
