Elementami ruchu są: obrót zawierający dwie składowe i poprzeczne drgania także zawierające dwie składowe.
Wirnik zabudowany w maszynie wirnikowej, w łożyskach własnych, porusza się w trakcie obrotów tak, że dwa punkty, znajdujące się na osi wirowania np. w płaszczyźnie łożysk, wykonują ruchy po elipsach lub okręgach. W celu wyznaczenia tego ruchu należałoby pobierać po dwa zestawy danych, pochodzących z pomiarów, na każdym czopie wirnika.
Wyważając wirnik w jego łożyskach własnych wykonujemy pomiary w wybranym kierunku w dwóch miejscach, przesuniętych względem siebie wzdłuż osi wirowania. Używając kierunkowych czujników drgań wykonujemy filtrację sygnałów mierząc jego składową działającą w wybranym kierunku. Ta składowa powinna mieć przebieg harmoniczny, ale jest on tylko zbliżony do harmonicznego, gdyż zawiera wiele zakłóceń. W maszynie zakłócenia pochodzą od różnych elementów pobudzanych do ruchu. Dlatego z tej składowej jest separowany sygnał użyteczny za pomocą układu elektronicznego o dużej dobroci filtrowania. Sposób filtrowania jest specyficzny dla wyważarek, gdyż dostosowuje się do chwilowej prędkości obrotowej wirnika i nie gubi żadnej z istotnych informacji dotyczących chwilowego położenia wirnika (w tym kątowego). Tak uzyskiwany sygnał użyteczny ma częstość odpowiadającą prędkości obrotowej wirnika i przebieg harmoniczny.
W dalszej części tekstu drugi rodzaj filtrowania będzie celowo pomijany dla uproszczenia opisu. Niemniej jest on zawsze stosowany.
Taki przebieg mają drgania, więc mierzone są wybrane parametry drgań. Pomiar niewyważenia nie jest bezpośredni ale pośredni. To oznacza, że wnioskujemy o wartości i położeniu kątowym niewyważenia na podstawie innych wyróżników ruchu wirnika, niż siły pochodzące bezpośrednio od niewyważenia. Obrazowo można stwierdzić, że układ podparcia wirnika „zamienia siły w ruch”.
Wiedząc, jak zachowują się wirniki na obrotach łatwiej wysnuć prawidłowe wnioski z takich pomiarów.
Wyważanie wirników na wyważarkach stacjonarnych może odbywać się na dwa sposoby, które upowszechniły się, w czasie, w poniższej kolejności:
- na wyważarkach nadkrytycznych, zwanych potocznie „miękkimi”,
- na wyważarkach podkrytycznych zwanych potocznie „twardymi”.
Na wyważarkach nadkrytycznych sposób szukania niewyważenia jest podobny do wyważania w łożyskach własnych. Mierzymy tam ruch i poszukujemy sił, które ten ruch wywołują.
Na wyważarkach podkrytycznych więzy umożliwiają wirnikowi tylko ruch obrotowy przez co mierzone są siły bezwładności pochodzące wyłącznie od niewyważenia.
Wyważanie na wyważarkach nadkrytycznych. W celu zrozumienia procesu znajdowania położenia i wartości nadmiarowych mas (nieskompensowanych na przeciwległej tworzącej walca wirnika inną masą) dających niewyważenie należy przeprowadzić analizę ruchu drgającego układu o dwóch stopniach swobody.
Projektanci wyważarek uprościli sposób pobierania danych w ten sposób, że nadali wirnikowi takie więzy, w miejscach podparcia, które wymuszają jego ruch w płaszczyźnie, najczęściej w poziomie. Ruch w płaszczyźnie jest ruchem o dwóch stopniach swobody (nie wliczamy obrotów). Ta liczba stopni swobody wystarczy do znalezienia obu składowych niewyważenia. Wyważarki nazywają się nadkrytycznymi, gdyż sztywność podparcia w poziomie jest tak mała, że już przy niewielu obrotach wirnik znajduje się powyżej rezonansu.
![]()
Rys. 1. Dwie postaci własne ruchu wirnika sztywnego posadowionego na wyważarce nadkrytycznej.
Przez to pierwszą filtrację sygnału, którą nazywamy mechaniczną, wykonują elementy podparcia. Czyszczenie składowej harmonicznej z zakłóceń odbywa się tak, jak podczas wyważania w łożyskach własnych czyli za pomocą układu elektronicznego.
Na rysunku 1 pokazano, jakie ruchy może wykonać sztywny idealnie symetryczny wirnik posadowiony na nadkrytycznej wyważarce. Mogą to być ruchy:
- liniowy, równoległy do osi wirowania,
- kątowy, odbywający się np. w płaszczyźnie poziomej.
Każdy z wymienionych ruchów nazywamy postacią własną. Innych postaci własnych sztywny wirnik nie wykazuje.
Każdy z tych ruchów jest wywołany innym wymuszeniem. Liniowy jest wywołany siłą od niewyważenia. Takie niewyważenie nazywamy potocznie statycznym. Kątowy: momentem od niewyważenia. Nazywamy je potocznie dynamicznym. Jeżeli wirnik jest obciążony obiema składowymi niewyważenia, to wykonuje oba ruchy jednocześnie.
Na rysunku 2 są pokazane schematycznie składowe niewyważenia.
![]()
Rys. 2. Składowe ruchu wirnika wywołane składowymi niewyważenia: a- liniowy wywołany obciążeniem statycznym, b- kątowy wywołany obciążeniem dynamicznym, c- mieszany wywołany obiema składowymi.
Pomiar następuje jeden raz na obrót i zawsze w identycznym położeniu kątowym wirnika względem ostoi. Przez to wirnik poruszający się ruchem obrotowym jest „widziany” przez wyważarkę jako nieporuszający się obrotowo. Zjawisko dynamiczne jest obserwowane jako kinetostatyczne.
Sposób i czas wykonania pomiaru są zapewnione przez odpowiednio zbudowane układy mechaniczne i elektroniczne. Czujniki drgań, zamocowane w podporach wyważarek mierzą sumę obu ruchów wykonywanych w kierunku osi działania czujników.
Działanie wyważarek nadkrytycznych tym się odróżnia od podkrytycznych, że podczas pomiarów wirnik wykonuje ruchy nawrotne w poziomie, oprócz obrotowego. Ruchy nawrotne wywołują w masie wirnika dodatkowe siły bezwładności od całej masy. Te siły są zakłóceniem. Powyższe stwierdzenie ma swoje konsekwencje. Ze względu na skomplikowanie problemu identyfikacja odbywa się nie tylko w miejscach i wspólnym kierunku działania czujników drgań ale także przy konkretnej prędkości obrotowej. Można nawet stwierdzić, że pełne analityczne rozpoznanie zmian sił bezwładności od całej masy wirnika jest praktycznie niepoliczalne. Zależy bowiem nie tylko od masy ale także od jednego z masowych momentów bezwładności. Przez to nie można rozsprzęglić płaszczyzn testowych z korekcyjnymi na wirniku. Korekcja musi odbyć się tam, gdzie zawieszano obciążniki testowe i gdzie wykonano częściową identyfikację.
Jeżeli w wynikach pomiarów są zawarte zarówno skutki działania wirujących sił bezwładności pochodzących od niewyważenia jak i stacjonarnych względem ostoi, pochodzących od całej masy wirnika, to oznacza, że:
- dwa wirniki, mające taką samą masę, obciążone identycznym niewyważeniem, ale posiadające różne kształty, zachowają się różnie na wyważarce, przy tych samych obrotach,
- dany wirnik nie zachowa się dynamicznie identycznie przy zmianie obrotów chociaż niewyważenie wirnika sztywnego jest stałe; w zależności od ilości i rozkładu masy wirnika zmieni się amplituda drgań mierzonych w wybranym kierunku na podporach wirnika.
Na dodatek (co będzie pokazane poniżej) zmienia się kątowe ułożenie pomiędzy siłą od niewyważenia i ruchem wirnika. Należy to rozumieć w ten sposób, że wirnik, w tych samych fazach przemieszczenia drgań (np. przy maksymalnym wychyleniu) znajduje się pod innym kątem obrotu, względem ostoi, - przy różnych prędkościach obrotowych. To oznacza, że oprócz ruchu obrotowego wirnik wykonuje, jeden raz na zmianę prędkości obrotowej, dodatkowy obrót o mały kąt.
Niezależnie od powyższego stwierdzenia, należy zauważyć także fakt, że ruch jest sumą dwóch postaci własnych pokazanych na rysunku 1. Stąd mierzona przez czujniki amplituda i faza ustala się jako suma dwóch składowych. W wyniku sumowania się ruchów mogą powstać różne wartości mieszczące się w dużym zakresie zmienności.
Dlatego każdy proces wyważania innego wirnika, na wyważarce nadkrytycznej, jest poprzedzony tzw. częściową identyfikacją dynamiczną układu: wirnik + podpory. Dzięki tej identyfikacji znajdowane są współczynniki kalibracyjne oraz wartości i rzeczywiste kąty posadowienia obciążników korekcyjnych.
Wirniki na obrotach, posadowione na wyważarkach nadkrytycznych zachowują się specyficznie. Prześledzimy to zachowanie.
![]()
Rys. 3. Ruch drgający niewyważonej tarczy zamocowanej do ostoi o sztywności i tłumieniu .
Rysunek 3 przedstawia układ: wirnik o masie M+ podparcie mające sztywność k i tłumienie wiskotyczne c. Przeanalizujmy zachowanie się takiego układu.
Nałożenie więzów podatnych, jak na rysunku 3, filtruje składową ruchu w wybranym przez siebie kierunku. Podobnie filtrowane są sygnały z czujników na wyważarkach. Czujniki pobierają tam składową, działającą w określonym kierunku, z sygnału wirującego wraz z wirnikiem. Tak pobrana składowa ma przebieg harmoniczny. Rysunek 3 przedstawia więc stan po odfiltrowaniu sygnału użytecznego.
Ograniczenie ruchu masy poprzez nałożenie na punkt więzów w postaci suwaka do ruchu po prostej w kierunku x nie zmienia ustalonych kierunków działania sił występujących w punkcie Ruch tarczy w kierunku osi przyjmuje postać jednej składowej harmonicznej.
Siła odśrodkowa wymuszająca ruch ma wartość:
![]()
- i wiruje wraz z tarczą i nadmiarową masą z prędkością kątową utrzymując kierunek promienia, na którym jest posadowiona. Zauważamy, że wartość siły bezwładności rośnie wykładniczo wraz ze zmianą prędkości obrotowej. Pod działaniem tej siły wirnik zachowuje się specyficznie. Na rysunku 4 są pokazane przebiegi siły bezwładności pochodzącej od niewyważenia i ruchu masy. Widać, że siła wyprzedza ruch o kąt φ w ruchu obrotowym wirnika. Wartość tego kąta jest zależna zarówno od zastosowanej prędkości obrotowej, sztywności jak i od tłumienia.
![]()
Rys. 4. Przebiegi siły wymuszającej bezwładności i przemieszczenia masy tarczy.
Rysunek 5 pokazuje wzajemne ułożenie sił w punkcie na płaszczyźnie fazowej. Na pionowej osi zaznaczono siły, które zależą od przemieszczenia się punktu 0, a na poziomej zależą od prędkości przemieszczania się środka tarczy. Na wirniku wszystkie siły, w tym także siła pochodząca od niewyważenia Bm, wirują z prędkością obrotową ω. Ich wzajemne kątowe ułożenie się (dla konkretnego wirnika przy niezmiennym posadowieniu na ostoi) nie zmienia się w czasie, dla wybranej prędkości obrotowej.
![]()
Rys. 5. Rozkład sił działających powstałych na skutek obrotu tarczy w obecności więzów jak na rysunku 3.
![]()
Przypadek a) zachodzi, gdy częstość wynikająca z prędkości obrotowej tarczy przyjmie wartość odpowiadającą tzw. częstości własnej, najczęściej oznaczanej symbolem . Układ znajduje się wtedy w tzw. rezonansie. W rezonansie rośnie amplituda ruchu. W efekcie rosną wszystkie siły.
Przypadek b) zachodzi, gdy częstość ω wynikająca z prędkości obrotowej tarczy przyjmie wartość wyższą od częstości własnej.
W rezonansie wychylenie w ruchu jest największe przez co siła od tłumienia osiąga dużą wartość. Po rezonansie wzrasta siła bezwładności. Jej amplituda zależy od częstości w drugiej potędze. Dlatego siła od niewyważenia wspomaga działanie siły od sztywności po to, aby razem przeciwstawić się sile bezwładności rosnącej w drugiej potędze.
Kąt wyprzedzenia ugięcia przez siłę bezwładności przyjmuje wartości zbliżone do na wyważarkach nadkrytycznych. Przy wyważaniu w łożyskach własnych mogą obejmować większy zakres zmienności.
Niewyważenie jest wymuszeniem dla wirnika. Wymuszenie od niewyważenia nazywamy wymuszeniem bezwładnościowym. Nazwa pochodzi od siły bezwładności wywołanej obrotami.
Wartość siły pochodzącej od niewyważenia zależy od częstości wynikającej z obrotów. Ta zależność powoduje, że układ zachowuje się specyficznie przy dużych obrotach, czyli powyżej rezonansu.
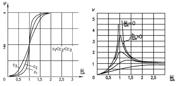
Istotną właściwość układu pokazuje współczynnik zwielokrotnienia zdefiniowany następująco:
![]()
![]()
Rys. 6. Wykresy amplitudowo- częstotliwościowa (po lewej) i fazowo-częstotliwościowa (po prawej) dla wymuszenia bezwładnościowego.
Przebieg wartości współczynnika zwielokrotnienia, czyli amplitudy ruchu, w zależności od częstości , przedstawia charakterystyka amplitudowa na rysunku 6. Widać z niej, że dla dużych prędkości obrotowych amplituda ruchu jest równa mimośrodowi tarczy e. Z wykresu fazowego, przedstawionego na rysunku 6, wynika, że dla tych prędkości kąt φ przyjmuje wartości bliskie wartości π. To oznacza, że przesunięcie jest w przeciwfazie w stosunku do siły, która to przesunięcie wymusza. Im większe tłumienie c, tym zachodzą bardziej łagodne zmiany amplitudy i fazy przy zmianie prędkości obrotowej.
Powyższa właściwość wirującej masy ma swoje konsekwencje w ruchu wirnika mającego długość L. Umożliwia ona kształtowanie się kolejnych postaci własnych ugięcia wirników podatnych. Ten problem będzie rozpoznany oddzielnie przy analizie zachowania się wirników gibkich.
Przy wyważaniu na wyważarkach podkrytycznych więzy pozwalają tylko na ruch obrotowy wirnika. W założeniu wirnik nie wykonuje drgań. Wykonuje tylko ruch obrotowy. Jeżeli występuje na nim niewyważenie, to generowane nim siły bezwładności oddziałują na elementy podparcia. Siły są mierzone i analizowane.
Takie właściwości uzyskuje się poprzez odpowiednio dużą sztywność podparcia. Jest ona wystarczająco duża, aby sprawić, że przy dowolnie dużej prędkości obrotowej wirnika, znajduje się on poniżej rezonansu.
Można tu przypomnieć potoczne stwierdzenie: poniżej rezonansu o zachowaniu się wirnika decyduje sztywność podparcia, a powyżej rezonansu ilość masy wirnika i jej rozkład. Każda zmiana ilości lub rozkładu masy wymaga wykonania nowej identyfikacji. W wyważarkach „miękkich” każdy wyważany nowy wirnik, mając inną ilość masy i jej rozkład, będzie już przez to wykonywał inne ruchy, niezależnie od niewyważenia. Nie można więc użyć danych ze „starej” identyfikacji do „nowego” wirnika. Poszukanie obciążenia wymaga zatem nowej identyfikacji.
W wyważarkach „twardych”, przy zmianie wirnika na inny, sztywność podparcia się nie zmienia. Można więc użyć danych ze „starej” identyfikacji do wyważenia wirnika o innym kształcie lub masie.
W praktyce, sztywne zawieszenia rolek podporowych nie są nieodkształcalne. Ich odkształcenia są na tyle małe, że można minimalizować ich wpływ na obliczanie niewyważeń z użyciem stałych współczynników dla różnych obrotów, zależnych tylko od masy wirnika. Mogą to być np. trzy zestawy współczynników ważnych dla całego zakresu obrotów : dla małej, średniej i dużej masy wirnika.
Wyeliminowanie wpływu ilości i rozkładu masy na siły występujące w podparciu wyważanego wirnika na obrotach skutkuje pojawieniem się nowych możliwości procesowych przy wyważaniu:
- rozłączenia procesu identyfikacji z aktualnie wyważanym wirnikiem,
- wyboru położenia płaszczyzn korekcji niezależnie od położenia płaszczyzn testowych.
Skąd biorą się te możliwości w wyważarkach podkrytycznych? Tylko siły bezwładności wywołane niewyważeniem są zmiennym obciążeniem podparcia wirnika. Zmiana obrotów wywołuje proporcjonalne i przewidywalne zmiany w amplitudach sił bezwładności. Innych sił bezwładności brak. Ze względu na sztywność wirnika: wzajemne ułożenie wszystkich składowych niewyważenia się nie zmienia przy zmianie obrotów. Dwa bardzo różnie wyglądające wirniki, np.: lekki i ciężki wirnik, smukły i masywny, ale oba obciążone takim samym niewyważeniem, zachowają się na tej wyważarce identycznie. To oznacza, że zmienność w - obciążeniu podparcia, w obu przypadkach, będzie identyczna.
Jeżeli identyfikacja nie jest związana z masą i kształtem wirnika, to proces identyfikacji można wykonać jeden raz, dla wszystkich wirników, za pomocą wirnika wzorcowego. Dane z identyfikacji należy zapamiętać w pamięci maszyny jako współczynniki kalibracyjne i stosować przy kolejnych wyważaniach. Dlatego te maszyny są jednokrotnie kalibrowane przez fabryczny serwis po montażu na hali u klienta. W praktyce zachodzą zmiany w fundamencie i mocowaniu maszyny do fundamentu podczas eksploatacji maszyn. Dlatego najlepszą skuteczność wyważania zapewnia coroczny serwis wykonywany przez drużynę producenta wyważarek.
Dla przypomnienia: wyważarka nadkrytyczna pobiera pomiary w chwili, w której wirnik znajduje się zawsze w identycznym położeniu - kątowym względem ostoi i siły bezwładności tworzą zmienny układ sił zawierający składniki: stały od niewyważenia i zmienny od całej masy wirnika.
Wyważarka podkrytyczna także pobiera pomiary w momencie, gdy wirnik znajduje się zawsze w identycznym położeniu kątowym względem ostoi, ale siły bezwładności tworzą niezmienny układ zawierający jeden zestaw sił: pochodzących od niewyważenia. Nie ma rozdzielenia siły od ruchu, gdyż ruch poprzeczny nie występuje. Niezmienność układu polega na równej zależności, od prędkości obrotowej, wszystkich elementów zestawu i stałości lub zerowaniu się kąta π (rysunki 6 i 7).
Na wyważarce podkrytycznej obserwujemy kinetostatyczny układ sił zawierający elementy, które są zmienne w przewidywalny i policzalny sposób wraz ze zmianą prędkości obrotowej.
Podsumowanie.
- Nie jest możliwe bezpośrednie pokazanie lub pomierzenie położenia kątowego niewyważenia na wirniku, z użyciem wyważarki, ze względu na przesunięcie fazowe pomiędzy siłą bezwładności od niewyważenia i ruchem obrotowym wirnika oraz sumowanie się ruchów wykonywanych według kilku stopni swobody. Jedną z przeszkód jest wpływ sił bezwładności generowanych przez ruch drgający poprzeczny wirnika. Możliwość identyfikacji miejsca, na którym znajduje się np. nadmiar masy, zachodzi po wykonaniu testu, z użyciem obciążników testowych, i wykonaniu obliczeń uwzględniających reakcję wirnika na te obciążniki. Sposób wykorzystania obciążników testowych nie jest w tym tekście pokazany.
- Wspólną cechą wyważania wirników w łożyskach własnych i na wyważarkach nadkrytycznych jest wykonanie tzw. ograniczonej identyfikacji dynamicznej układu: wirnik + podparcie, z użyciem obciążników testowych, przed każdym wyważaniem. Taki test ma na celu sprawdzenie zachowania się układu: konkretny wirnik + posadowienie, pod wpływem zewnętrznego obciążenia, w np. dwóch punktach i dodatkowo w dowolnie wybranym, ale w tym samym kierunku. Bezpośrednią przyczyną konieczności zastosowania testu jest występowanie sił bezwładności od całej masy wirnika podczas wykonywania drgań - niezależnie od sił bezwładności pochodzących od niewyważenia.
- Podstawową przewagą wyważarek podkrytycznych, w stosunku do wyważarek nadkrytycznych, jest możliwość wykorzystywania współczynników kalibracyjnych otrzymywanych podczas jednorazowej identyfikacji z użyciem wirnika wzorcowego do wyważenia innych, różnych wirników. Niezależność wyników obliczeń niewyważenia od ilości i rozkładu masy wyważanego wirnika uzyskano poprzez wyeliminowanie drgań poprzecznych wirnika na obrotach.
Powyższe zagadnienia zostały szczegółowo opisane w mojej książce: M. Malec: Wyważanie dynamiczne wirników w teorii i praktyce. Bydgoszcz 2022.
Dystrybutorem książki jest: www.fachowa.pl
